
倍仕达推出了一款65W氮化镓快充K39,产品不仅采用了先进的氮化镓电源方案,还配置时下主流2C1A接口以及带数显功率设计,可显示多设备充电时的总输出功率,快充状态一眼掌握,性能满足主流需求同时更加实用。
值得一提的是,产品两个USB-C接口分别支持65W和20W PD快充同时,USB-C1口还升级对最新PD3.2快充标准支持,并具备9-15V3A、15-20V3.25A两组AVS电压档位,可以更好适配苹果MacBook、iPad以及iPhone 17系列新机等设备。
此外接口还兼容UFCS、QC、PPS、SCP等主流快充协议,还能广泛适配华为、小米、vivo等大品牌的设备。而三个接口从性能、兼容性到多口组合输出策略,仅需使用天德钰JD6628A一颗协议芯片即可完成设计。下面充电头网就对这款充电器进行详细拆解。
倍仕达65W氮化镓充电器外观

倍仕达65W氮化镓数显充电器采用经典直板造型设计,主体外壳表面磨砂抗指纹,整体设计风格简约。

输入端外壳上印有产品参数
型号:K39
输入:110-240V~50/60Hz 1.5A Max
输出:
USB-C1:5V3A、9V3A、12V3A、15V3A、20V3.25A 65W Max
USB-C2:5V3A、9V2.22A、12V1.67A
USB-A:5V3A、9V2A、12V1.5A
USB-C1+USB-C2:45W+20W
USB-C1+USB-A:45W+18W
USB-C2+USB-A:5V3A
USB-C1+USB-C2+USB-A:45W+15W
制造商:深圳市倍仕达电子有限公司
产品通过了FCC认证。

充电器配备可折叠美规插脚。

输出端配备2C1A接口以及数显屏,数显屏可实时显示总输出功率,让用户可以快速直观了解多设备同时充电时的快充状态。

实测充电器机身长度为59.7mm。

宽度为51.93mm。

厚度为29.87mm。

和苹果67W充电器放在一起对比,体积优势明显。

产品拿在手上的大小直观感受。

另外测得充电器重量约为126g。

使用ChargerLAB POWER-Z KM003C测得USB-C1口支持UFCS、QC3+、FCP、SCP、AFC、PD3.2、DCP、Apple 2.4A充电协议。

并且具备5V3A、9V3A、12V3A、15V3A、20V3.25A五组固定电压档位,以及9-15V3A、15-20V3.25A两组SPR AVS电压档位。

测得UFCS融合快充具备3.4-5.5V3A、5.5-11V3A、11-21V3A三组电压档位。

测得USB-C2口支持UFCS、QC3+/4+、FCP、SCP、AFC、PD3.0、PPS、DCP、Apple 2.4A充电协议。

PDO报文显示USB-C2口具备5V3A、9V2.22A、12V1.67A三组固定电压档位,以及5-11V2A一组PPS电压档位。

测得UFCS融合快充具备3.4-5.5V3A、5.5-11V2A两组电压档位。

最后测得USB-A口支持QC3.0、FCP、SCP、AFC、DCP、Apple 2.4A充电协议。

使用充电器USB-C1口给苹果iPhone 17 Pro手机充电,测得充电功率约为30.32W。

此时数显屏显示输出功率约为31W。
倍仕达65W氮化镓充电器拆解

将充电器输入端外壳打开,插脚使用白色塑料板以及螺丝进行固定,通过导线与PCBA模块锡焊实现通电。

将PCBA模块取出,测得模块长度为55.1mm。

宽度为47.88mm。

厚度为24.88mm。

PCBA模块顶部以及两侧覆盖一体式散热片,接近输出端小板部分粘贴胶带。

模块底部也覆盖散热片,并且使用胶带完全包裹。

将两块散热片拆下,内侧设有麦拉片、导热垫辅助隔离绝缘和传递热量。

将模块正面器件间的白胶清理掉,模块前后以及两侧均设有小板。

主板背面设有贴片Y电容以及同步整流控制器。

PCBA模块侧面一览,主板上焊接延时保险丝、NTC热敏电阻、整流桥以及蓝色Y电容,此外还设有一块输入小板。

将小板拆下,正面焊接安规X2电容以及共模电感。

延时保险丝规格为3.15A 250V。

NTC热敏电阻用于抑制上电浪涌电流。

安规X2电容特写,容量0.22μF。

共模电感用于滤除EMI干扰。

整流桥来自深圳市沃尔德实业有限公司,型号WRLSB80M,这颗软桥通过较软的恢复曲线,比较平滑的关断特性,可以降低二极管结电容达到非常少的谐波振荡产生的效果。选用的LSB封装,拥有良好的散热特性,帮助中大瓦数适配器提升可靠性,单颗可做60W+。

模块前端焊接一块小板用于隔离电容和变压器,小板前端以及左侧共布局四颗高压滤波电解电容,此外还有一颗工字电感。

四颗高压滤波电解电容均来自绿宝石,规格也都是400V27μF。

工字电感外套热缩管绝缘保护。

模块另一侧焊接变压器、主控芯片供电电容以及一块小板。

将小板拆下,板子正面设有光耦,对应电源主控芯片处露铜加锡以及过孔处理来增强散热。

小板另一面设有电源主控芯片。

开关电源主控芯片来自必易微,型号KP2208X,这是一款集成E-GaN的高频高性能准谐振模式交直流转换功率开关。芯片集成高压启动电路,可获得快速启动功能和超低的工作电流,实现小于30mW的超低待机功耗。
KP2208X的工作频率最高可达220kHz,可全范围工作在准谐振模式。芯片集成峰值电流抖动功能和驱动电流配置功能,可极大的优化系统EMI性能。芯片内置Boost供电电路,非常适用于宽输出电压的应用场景。芯片采用ESOP-10W封装,满足20W~120W的应用需求。

KP2208X集成有完备的保护功能,包括:VDD欠压保护(UVLO)、VDD过压保护 (VDD OVP)、输入欠压保护(BOP)、输出过压保护(OVP)、逐周期电流限制(OCP)、异常过流保护(AOCP)、过载保护(OLP)、输出过流保护(SOCP)、内置过热保护(OTP)、前沿消隐(LEB)、CS管脚开路保护等。

主控芯片供电电容来自丰宾,规格为50V10μF。

变压器特写。

亿光EL 1018光耦特写,用于输出电压反馈。

贴片Y电容来自四川特锐祥科技股份有限公司,具有体积小、重量轻等特色,非常适合应用于氮化镓快充这类高密度电源产品中。料号为TMY1221K。

充电头网了解到,特锐祥贴片Y电容除了被倍思高通QC5认证100W氮化镓快充、麦多多100W氮化镓、OPPO 65W超级闪充氮化镓充电器、联想90W氮化镓快充、努比亚65W氮化镓充电器、倍思120W氮化镓+碳化硅PD快充充电器等数十款大功率充电器使用外,也可应用于海陆通、第一卫、贝尔金等品牌20W迷你快充上,性能获得客户一致认可。

另一颗蓝色Y电容来自STE松田电子。

输出端一览,USB接口和数显屏分别焊接在两块独立小板上,主板上设有两颗固态滤波电容。

将USB接口母座小板拆下,板子正面设有协议芯片、输出滤波固态电容以及VBUS开关管。

背面设有同步降压转换器、VBUS开关管以及降压电感。

丝印M60同步整流控制器来自必易微,型号KP4060,支持DCM、CCM、QR工作模式和有源钳位Flyback拓扑,支持600kHz工作频率,集成高压检测电路和高压供电电路,集成智能双路LDO,无需辅助绕组供电,支持输出短路SR工作。采用了节省空间的SOT23-6封装。

KP4060支持宽范围输出电压应用,特别适用于支持QC、PD等协议的快充领域。并且支持高侧或低侧配置。
充电头网拆解了解到,必易微KP4060此前还被海备思SWITCH带HDMI口65W 1A1C氮化镓充电器、redow热豆45W 2A2C充电塔、马拉松65W 2C1A氮化镓充电器、傲基65W 2C1A超级硅充电器等产品采用,产品性能质量获得市场认可。


输出滤波固态电容来自绿宝石,规格为25V680μF。

另一颗也是来自绿宝石,规格为25V220μF。

协议芯片来自天德钰,型号JD6628A,这是一款高度集成的快充协议芯片,完整支持USB PD3.2并覆盖SPR 5–21V、EPR 15–28V区间,同时具备PPS与AVS调压能力,能够以更细颗粒的电压/功率协商适配从手机到高功率平板、轻薄本等多类终端。
JD6628A还支持UFCS、华为SCP/FCP、QC2.0/3.0/3+/4.0/5.0、联发科PE+ 1.1/2.0以及Apple 2.4A/BC1.2等主流快充协议,一颗芯片即可覆盖当下市场主流的有线快充场景,有效减少方案分裂带来的适配风险与维护成本。

在电源控制与环路设计上,JD6628A内置电压环/电流环运放与精密基准,原生支持CC/CV调节,并提供电缆压降补偿与VBUS/VCONN快速放电;并且内部提供两套独立的电源供应,支持双端口全协议充电,芯片内部集成双路放大器,各自配备用于电压环路和电流环路调节的参考电压,分别用于恒压和恒流控制。JD6628A还具有VBUS、VBUSC和VCONN总线的多级放电功能,对于VBUS和VBUSC,用户可以选择三种放电电阻(200Ω、400Ω和10KΩ),集成100mW Vconn供电。
JD6628A原生支持2C或2C1A结构,并支持MPC总线以与同类芯片共享功率预算、进行端口间功率分配,更加容易进行智能功率分配,让产品快充体验更加优秀。同时内置输出过压/过流/欠压保护、过温保护、输入过压/降压保护、D+/D-过压保护、CC过压保护等保护机制,采用TQFN4*4-32L和TQFN5*5-40L封装,适用于快充充电器,车充等应用。

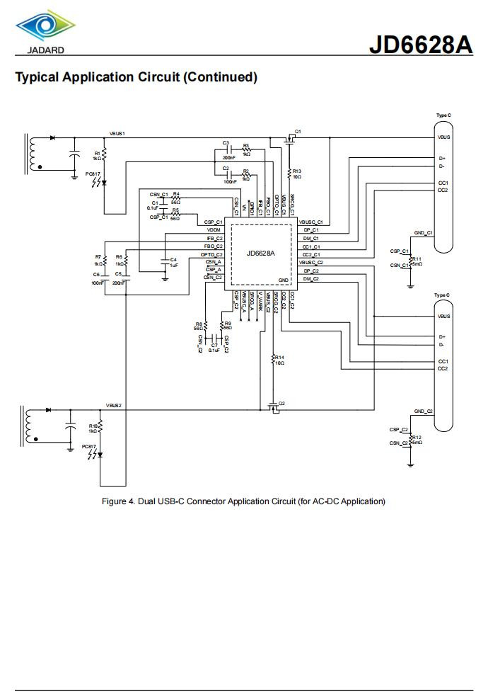
天德钰JD6628A双USB-C接口典型设计线路图一览。

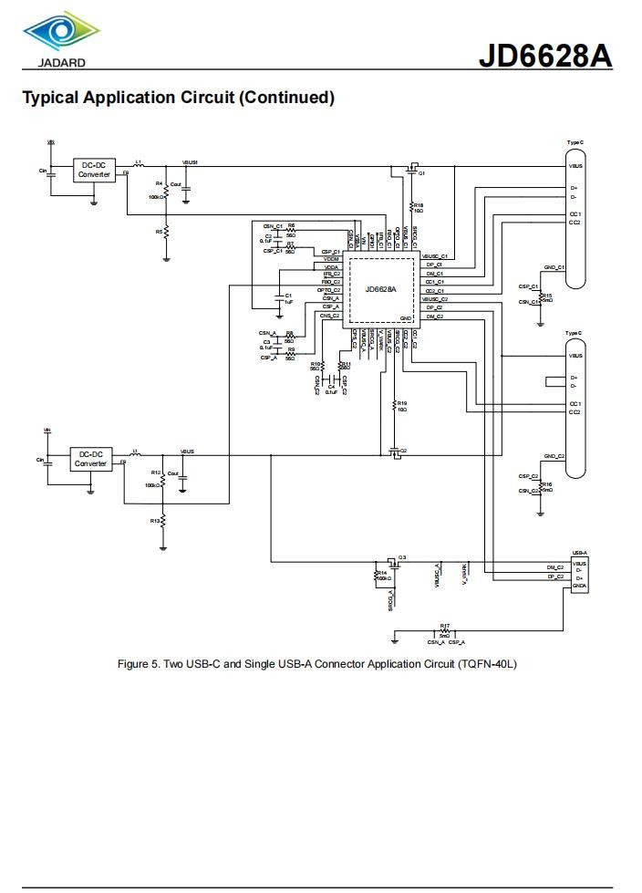
天德钰JD6628A 2C1A接口典型设计线路图一览。

同步降压转换器来自NDPSEMI芯潭微,型号NDP13401KC,这是一款高效、单片同步降压型DC/DC转换器,采用恒定频率的平均电流模式控制架构。该器件可提供高达4.0A的连续负载电流,并具备优异的线路和负载调节性能。其输入电压工作范围为4.6V至30V,可输出3.3V至25V的可调电压。采用SOP8封装。

降压电感特写。

降压输出滤波固态电容也是来自绿宝石,规格为25V220μF。


USB-C2口输出VBUS开关管也是采用优晶微YC45N03ADE。


数显屏小板背面设有单片机以及运算放大器。

单片机无丝印,信息不详。

运算放大器来自GTIC谷泰微,型号GT8341,该系列运算放大器具备低电压工作能力,支持轨到轨输入输出,并实现了优异的速度与功耗比——提供1MHz带宽及0.4V/μs的压摆率。
该系列运放具有单位增益稳定性与超低输入偏置电流特性,是传感器接口、有源滤波器和便携式设备的理想解决方案。器件可在-40°C至+125°C工业级温度范围内稳定工作,支持2.2V至5.5V单/双电源供电配置。

LED数显屏特写。

全部拆解一览,来张全家福。
充电头网拆解总结

最后附上倍仕达65W氮化镓数显充电器的核心器件清单,方便大家查阅。
倍仕达65W氮化镓数显充电器采用经典直板造型和黑色配色设计,2C1A三口配置的情况下,机身做得也比较小巧,三围仅59.5*52*29.5mm,重量仅有约125g,搭配可折叠插脚,整体便携性不错。此外还带数显功能设计,可随时查看总输出功率,进一步提升产品实用性。
得益于天德钰JD6628A快充方案的使用,三个接口均支持快充输出,并且实现对UFCS、FCP、SCP、AFC、QC、PPS以及最新PD3.2快充协议的支持,保证产品整体兼容性和性能,65W PD快充,63W UFCS快充以及45W+20W/18W双口同时快充策略,可以很好适配市面上各大品牌笔电、手机等设备的快充需求。
此外拆解了解到,充电器还采用了必易微KP2208X+KP4060合封氮化镓电源方案,加上多小板堆叠设计,很好控制了产品尺寸。并且使用知名品牌绿宝石的电解电容、固态电容进行滤波。模块打胶以及覆盖散热片,做工可靠。
配资一流股票配资门户,个人炒股配资,合法配资公司提示:文章来自网络,不代表本站观点。